Get in contact with us

Telephone

Austria

+43 (0)732 257700

Contact form

We are happy to answer your questions.

> Contact

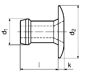
FASTEKS® Speed rivets Type FIXRIV

ADF-0406


Domed head with nom. shank diameter 3.2, 4.0, 4.8

Materials:
Aluminum
Zinc-plated steel
Aluminum
Brass
Brass

Additional types on request

Technical Specification

Grip range

2.15 - 3.43 mm

Material

Aluminum

Order description

ADF-0406

d1

3.2 (3.14 max.) mm

Drill hole-Ø

3.26 - 3.34 mm

lmax.

5.39 mm

kmax.

0.99 mm

d2 max.

6.60 mm

Rivets per pot

48

Scherkraft

756 N

Zugkraft

1.312 N